【マグネットスイッチの遠隔操作】電磁接触器とSMARTIOの接続例 – ON/OFF押しボタン

SMARTIOと現地のON/OFF 押しボタンとを併用し、クラウド経由による遠隔操作と現地操作の両方からマグネットスイッチを制御できる構成例です。遠隔操作だけでなく、現地での微調整や緊急時の対応など、状況に応じた柔軟な運用が可能です。
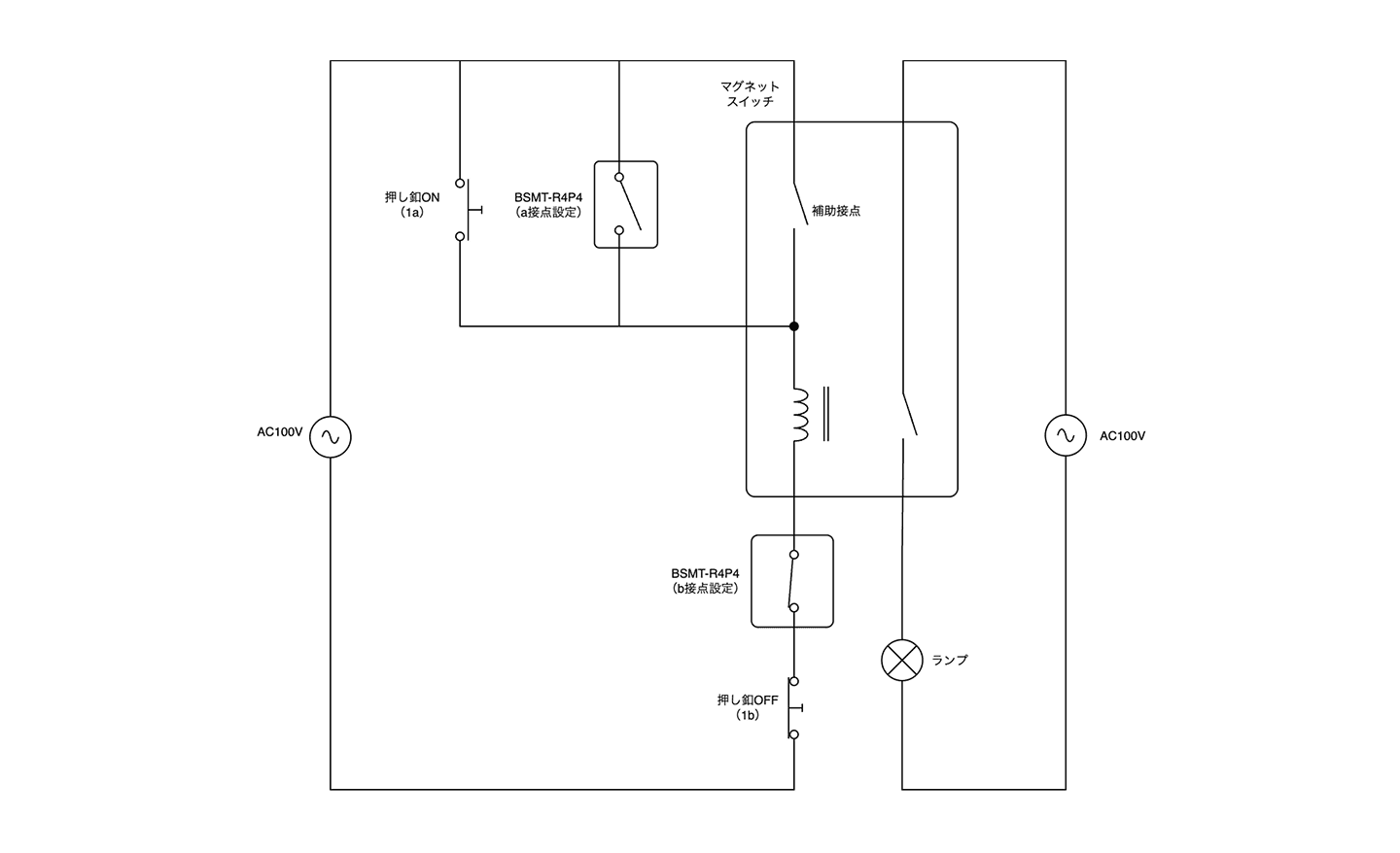
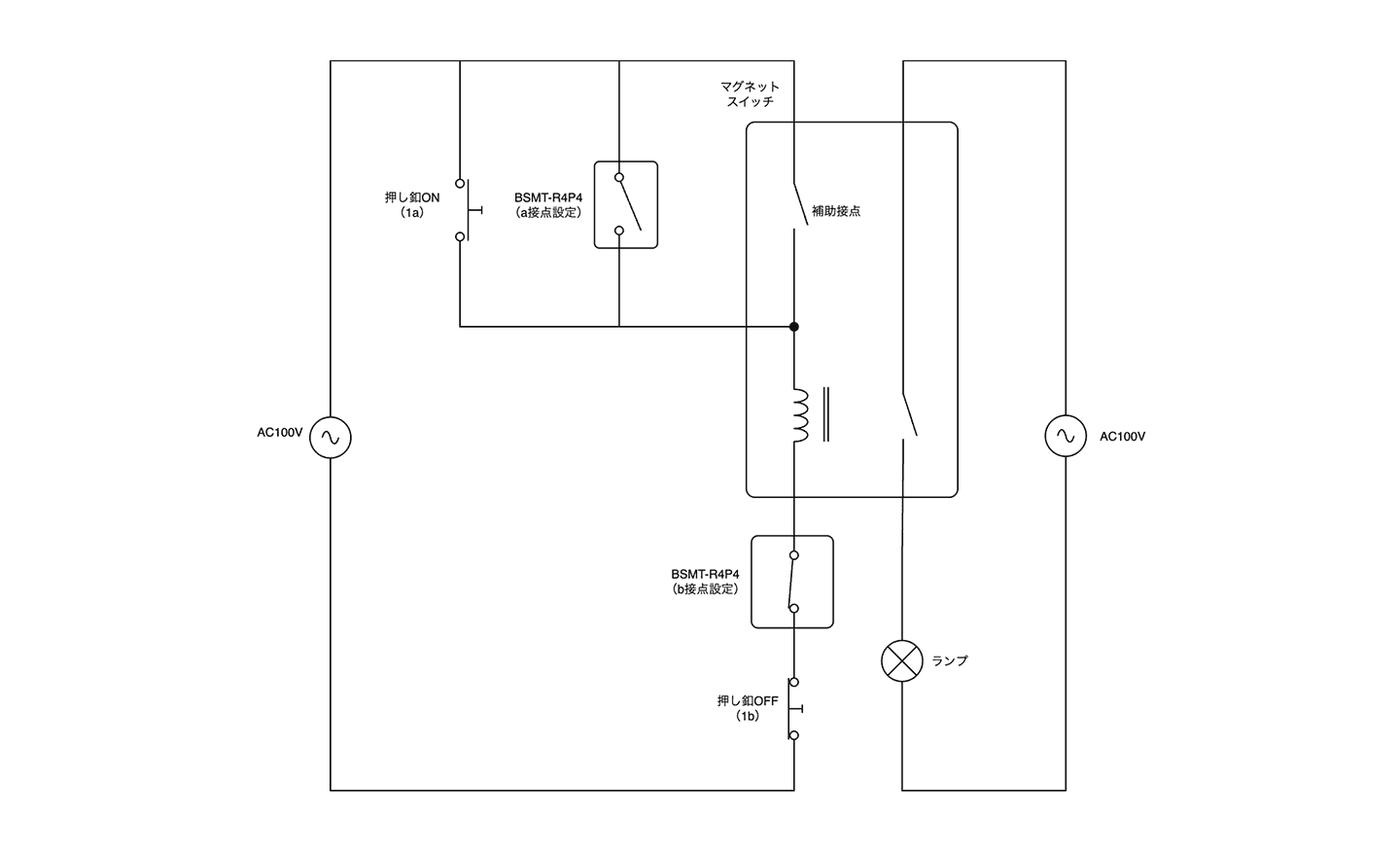
ON/OFF 押しボタン構成のポイント
- SMARTIO 出力1
- 動作モード:ワンショット(ON)
- 接点種別:a接点
- 信号が0.5s(任意設定)だけ閉じ、マグネットコイルを励磁 → MC ON
- SMARTIO 出力2
- 動作モード:ワンショット(OFF)
- 起動時自動 ON を有効化 → b接点化
- 信号が0.5sだけ開放し自己保持回路を遮断 → MC OFF
- 停電時の安全
- 自己保持が解けて 強制OFF。
この構成により「手動/遠隔両用」、かつ通信障害や停電時でも安全側に作動するフェイルセーフな構成を実現します。
マグネットスイッチの遠隔操作 – 構成例の動画
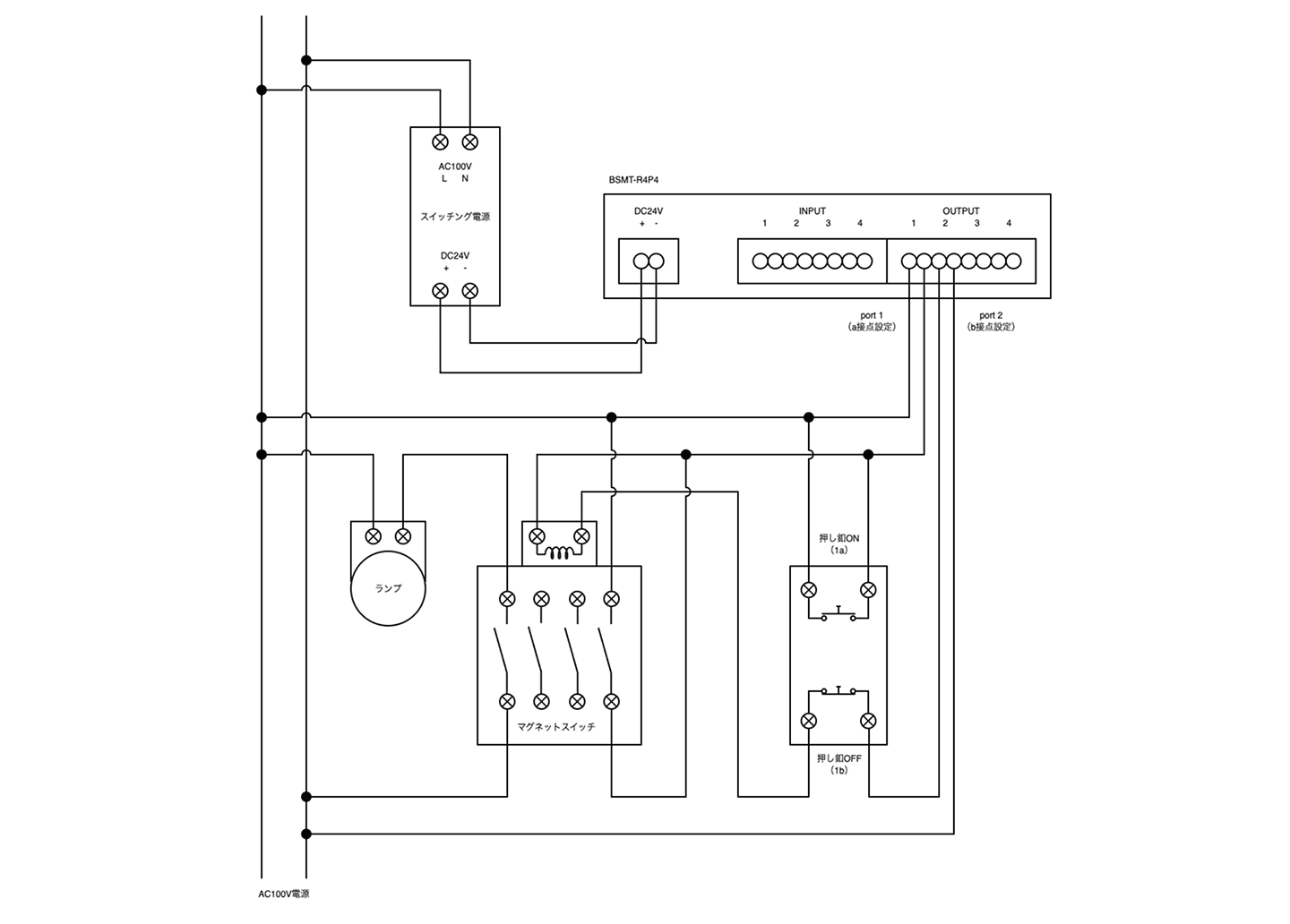
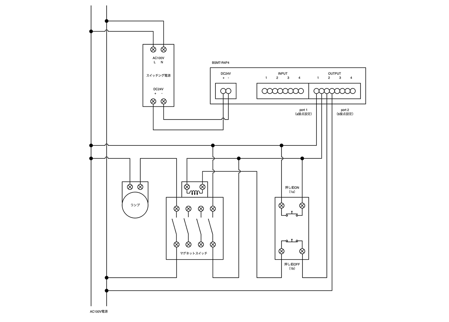
配線図・回路図の例


| 役割 | 使用機器 | 型番 | ポイント |
|---|---|---|---|
| 接点出力 | SMARTIO | BSMT-R4P4 | 出力4点・無電圧リレーa接点 |
| 主回路制御 | マグネットスイッチ | 三菱電機 S-T10 | 設備の電源を制御 |
| 手動操作 | 押しボタンスイッチ (1a+1b) | パナソニック BL82011 | ON/OFF兼用 |
| 状態表示 | パイロットランプ | 富士電機 DR22D0L-H3G | 動作確認用 ON時のみ緑点灯 |
この構成のメリット
- 遠隔操作 – ブラウザの操作画面を用意。管理画面上の設定だけでPC/スマホから操作が可能。
- 現地操作 – 従来のボタンはそのまま利用可能。
- 保守性 – 自己保持回路なのでSMARTIO側が故障・再起動しても設備は停止状態を維持。
- ログと通知 – 操作ログを1万件保存、操作のメール通知も可能。
適用シーン
ファン・ブロワー制御(換気、冷却、集塵など)
遠隔で最適な環境制御、現地で臨機応変に操作。省エネ運転と設備の安全・保守性を高めます。
コンプレッサー
遠隔で電源操作、現地で安全に手動介入。長期間使用しない場合の待機電力の削減に。
照明設備
遠隔でスケジュール・一括制御、現地でエリア毎に個別操作。省エネと利用シーンに合わせた運用が可能。
遠隔操作を安全に行うために
- 本回路図は参考例です。SMARTIOおよび関連機器は、取扱説明書に記載された定格・配線方法を厳守し、有資格者の管理下で安全に設置してください。
- 接続対象となる設備は、開始や停止のフローや、遠隔操作を行っても安全性・工程・品質などに支障がない機器であるかを必ず事前にご確認ください。
- 運転状態やライン全体の状況を確認し、起動・停止による影響がないことを確認したうえで、SMARTIOからの操作を実行してください。
- マグネットスイッチ(電磁開閉器)にはサージ吸収器を接続するなどして、機器の誤動作や故障を防止してください。
SMARTIOの製品カタログはこちらからダウンロードいただけます。
製品の仕様やマニュアルはサポートページをご覧ください。
SMARTIOの特徴

- 設置は電気工事のみ。設定はPC/スマホからWebブラウザでプログラミング不要
- 操作者の登録(ID / パスワード)や、操作ログが記録されて安心
- タイムスイッチ機能で、所定の時間でON / OFFするスケジュール設定が可能
関連製品

【ローコードでPLCや上位PC不要】工場・プラントの設備を無線で遠隔制御-FieldMagic
FieldMagicは、見通し5kmのLoRa無線と中継機能により、工場・プラント・大型施設など広域に点在する設備の監視・制御・自動化を、最小限の配線工事で実現します。
関連記事

【マグネットスイッチの遠隔操作】電磁接触器とSMARTIOの接続例 – 切り替えスイッチ
SMARTIOの接点出力を用いてマグネットスイッチを遠隔操作するとともに、現地優先運転に切り替えられるセレクトスイッチを設置した構成例です。

【産業用】電磁開閉器(マグネットスイッチ)の接点を使い安全に遠隔操作
SMARTIOはデジタル入力4点、デジタル出力4点を備えており、1台に複数の電磁開閉器(マグネットスイッチ)を繋ぎ、制御することができます。

看板照明の遠隔一括管理による運用最適化
多店舗展開が進むと、店舗ごとの照明管理のバラつきやミスが増えがちです。各店舗にSMARTIOを設置しマグネットスイッチと接続することで、本部から遠隔で一括管理できます。
![[幅120cm 高さ2.5cm]のコンパクトな筐体サイズ](/_next/image/?url=%2F_next%2Fstatic%2Fmedia%2Fkv-smartio.0c951a6b.png&w=1200&q=75)